Skip to main content Skip to search Skip to main navigation
Telephone consultation: 02331 - 62 52 8-0 (Mon–Thu: 7.45 AM – 4.00 PM and Fri: 7.45 AM - 2.30 PM)
Precise measuring tools and instruments

Dial indicator 3 x 0,01 mm with retral spindle

Product information "Dial indicator 3 x 0,01 mm with retral spindle "

Dial indicator 3 mm with retral spindle

- accuracy according to manufacture standard
- metal casing
- shank Ø 8 h6
- reading 0,01 mm
- accuracy 17 µm
- dial diameter 42 mm

Range: 3 mm

Accuracy: 17 µm
Range: 3 mm
Reading: 0,01 mm
Type: analogue, with metal casing, with retral spindle
Ø : 42 mm

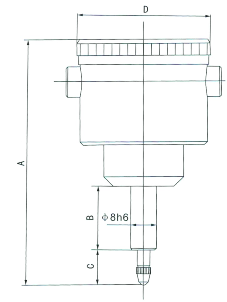
Technical Data

Messbereich mm
Range mm
Ablesung mm
Reading mm
Genauigkeit µm
Accuracy µm
Außenring mm
Dial diameter mm
A mm B mm C mm D mm
3 0,01 17 42 80 34 14 42

Product Safety Information:

  • Suitable only for technically skilled users familiar with the product and for craftsmen.
  • Intended solely for the designated purpose.
  • Improper use may lead to damage and injuries.

Importer/Manufacturer:

Gedema GmbH
Berchumer Str. 74
58093 Hagen

Email: info@messwelt.com
Email: info@gedema.com

Items explicitly stating the manufacturer are excluded.

Skip product gallery

Accessories

Certification dial indicator 0 - 10 mm range
Certification dial indicator 0 - 10 mm - calibration for analog dial indicator 0 - 10 mm range- the calibration will be done by an external calibration laboratory - certification rule VDI/VDE/DGQ 2618 or manufacture standard

€23.30*
Stock: -1
Skip product gallery

Similar products

Small dial indicator Ø 40 mm range 3 mm reading 0,01 mm
Small dial indicator Ø 40 mm range 3 mm - accuracy according to manufacture standard - metal casing - reading: 0,01 mm - with tolerance marks - shank 8 h6 - dial face rotateable by outer ring Range: 3 mm

€19.68*
Stock: 250