Skip to main content Skip to search Skip to main navigation
Telephone consultation: 02331 - 62 52 8-0 (Mon–Thu: 7.45 AM – 4.00 PM and Fri: 7.45 AM - 2.30 PM)
Precise measuring tools and instruments

Depth measuring stop round Ø 25 L=58 mm for dial indicator

Product information "Depth measuring stop round Ø 25 L=58 mm for dial indicator"

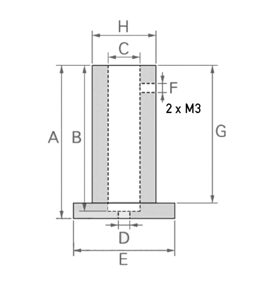
Depth measuring stop round Ø 25 L=58 mm

- made of stainless steel
- for dial indicators with shank 8 mm
- with through hole for measuring inserts < Ø 3 mm
- with round base
- measuring surface fine ground

Technical Data

für Messuhren mit Messbereich
for dial indicator with range
A
mm
B
mm
C
mm
D
mm
E
mm
G
mm
H
mm
25 mm 38 36 8 3 25 34 15,8
               
Achtung : Benutzung nur unter Verwendung von Messeinsätzen mit Ø < 3 mm
Attention : Use only using measuring inserts with Ø < 3mm
 

Product Safety Information:

  • Suitable only for technically skilled users familiar with the product and for craftsmen.
  • Intended solely for the designated purpose.
  • Improper use may lead to damage and injuries.

Importer/Manufacturer:

Gedema GmbH
Berchumer Str. 74
58093 Hagen

Email: info@messwelt.com
Email: info@gedema.com

Items explicitly stating the manufacturer are excluded.

Skip product gallery

Accessories

Digital dial indicator 25,0 x 0,01 mm range
Digital dial indicator 25,0 x 0,01 mm - with digital LCD display - beginning value adjustable (Preset) - measuring direction reversible - mm/inch, ABS/PRESET and ZERO/ON button - clamp shank 8 h6 - in case/box Range: 25,0 mm Reading: 0,01 mm Accuracy: 20 µm

€83.40*
Stock: 101