Zum Hauptinhalt springen Zur Suche springen Zur Hauptnavigation springen
Telefonische Beratung: 02331 - 62 52 8-0 (Mo-Do: 7:45 - 16:00 Uhr und Fr: 7:45 - 14:30 Uhr)
Präzise Messmittel und Messgeräte

Messuhr 3 x 0,01 mm mit rückwärtiger Messspindel

Produktinformationen "Messuhr 3 x 0,01 mm mit rückwärtiger Messspindel"

Messuhr 3 mm mit rückwartiger Messspindel

- Genauigkeit nach Werksnorm
- Metallgehäuse ø 42 mm
- Aufnahme Ø 8 H6
- Ablesung: 0,01 mm
- Genauigkeit: 17 µm

Messbereich: 0 - 3 mm

Ablesung: 0,01 mm
Ausführung: analog, mit Metallgehäuse, mit rückwärtiger Messspindel
Genauigkeit: 17 µm
Messbereich: 3 mm
Ø : 42 mm

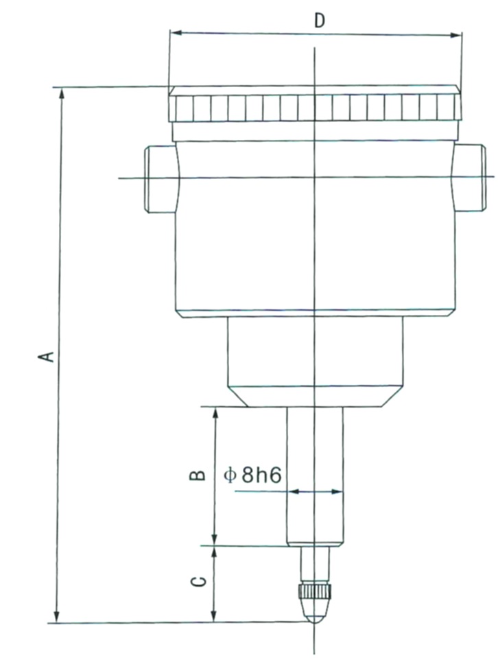
Technische Daten

Messbereich mm
Range mm
Ablesung mm
Reading mm
Genauigkeit µm
Accuracy µm
Außenring mm
Dial diameter mm
A mm B mm C mm D mm
3 0,01 17 42 80 34 14 42

Informationen zur Produktsicherheit:

  • Nur für technisch versierte und mit dem Produkt vertraute Anwender sowie Handwerker geeignet.
  • Nur für den vorhergesehenen Verwendungszweck geeignet.
  • Unsachgemäße Verwendung kann zu Schäden und Verletzungen führen.

Importeur/Hersteller:

Gedema GmbH
Berchumer Str. 74
58093 Hagen

E-Mail: info@messwelt.com
E-Mail: info@gedema.com

Ausgenommen sind Artikel bei denen explizit der Hersteller genannt wird.

Produktgalerie überspringen

Zubehör

Kalibrierung Messuhren 0 - 10 mm Messbereich
Kalibrierung Messuhren 0 - 10 mm - Werkskalibrierschein für analoge Messuhren 0 - 10 mm Messbereich, ausgenommen Messuhr Nr. 208.005 - erstellt durch ein Kalibrierlabor- nach den gültigen Vorschriften von VDI/VDE/DGQ 2618 oder nach angegebenen Werksnormen

23,30 €*
Lagerbestand: -2
Produktgalerie überspringen

Ähnliche Artikel

Klein-Messuhr Ø 40 mm Messbereich 3 mm Ablesung 0,01 mm
Klein-Messuhr Ø 40 mm Messbereich 3 mm - Metallgehäuse Ø 40 mm - Genauigkeit nach Werksnorm - Ziffernblatt durch Außenring drehbar - Aufnahme Ø 8 H6 Ablesung: 0,01 mm Genauigkeit: 17 µm Messbereich: 3 mm

19,68 €*
Lagerbestand: 250