Zum Hauptinhalt springen Zur Suche springen Zur Hauptnavigation springen
Telefonische Beratung: 02331 - 62 52 8-0 (Mo-Do: 7:45 - 16:00 Uhr und Fr: 7:45 - 14:30 Uhr)
Präzise Messmittel und Messgeräte

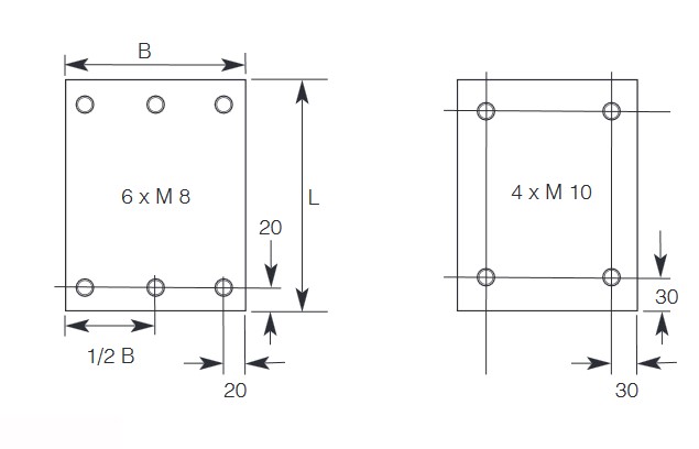
Mess- und Kontrollplatten 300 x 200 x 50 mm aus Granit mit 6 x M8 Gewinden

Produktinformationen "Mess- und Kontrollplatten 300 x 200 x 50 mm aus Granit mit 6 x M8 Gewinden"

Mess- und Kontrollplatten 300 x 200 x 50 mm

- mit 6 x Aufnahme-Gewinden M8 für Messstative
- aus dunklem Granit
- Genauigkeit nach DIN 876/0
- unten mit 4 x M10 Gewinden zur Anbringung von Stellfüßen

Abmessung: 300 x 200 x 50 mm
Ausführung: aus dunklem Granit, mit Gewinde 6 x M8
Genauigkeit: DIN 876/0

Technische Daten

Abmessung (LxBxH) mm
Size (LxWxH) mm
Gewinde
Thread
Gewicht kg
Weight kg
300 x 200 x 50 6 x M8 9,4

Informationen zur Produktsicherheit:

  • Nur für technisch versierte und mit dem Produkt vertraute Anwender sowie Handwerker geeignet.
  • Nur für den vorhergesehenen Verwendungszweck geeignet.
  • Unsachgemäße Verwendung kann zu Schäden und Verletzungen führen.

Importeur/Hersteller:

Gedema GmbH
Berchumer Str. 74
58093 Hagen

E-Mail: info@messwelt.com
E-Mail: info@gedema.com

Ausgenommen sind Artikel bei denen explizit der Hersteller genannt wird.

Produktgalerie überspringen

Zubehör

Magnet-Messstativ Gestänge Gesamthöhe 278 mm mit Zentralklemmung
Magnet-Messstativ Gestänge Gesamthöhe 278 mm - mit Zentralklemmung, Gewinde M8, ohne Magnetfuß - für alle Messuhren mit 8 mm Aufnahme- mit Feineinstellung- Gestänge von Art.-Nr. 208.109.5 - Gesamthöhe: 278 mm

97,20 €*
Lagerbestand: 13
Magnet-Messstativ Gestänge Gesamthöhe 375 mm mit Zentralklemmung
Magnet-Messstativ Gestänge Gesamthöhe 375 mm - mit Zentralklemmung, Gewinde M10, ohne Magnetfuß - für Messuhren mit 8 mm Aufnahme - Gestänge von Art.-Nr. 208.109.4 - Gesamthöhe: 375 mm

60,60 €*
Lagerbestand: 61
Adapter M8/M10
Innen-Gewinde-Adapter - für die Aufnahme von Stativen mit M10-Gewinde auf einem   Magnetfuß oder Granitplatte mit M8-Gewinde - Maß: ø 24 x 15 mm

9,84 €*
Lagerbestand: 9
Magnet-Messstativ Gestänge Ø 12 x 173 mm Gewinde M8
Magnet-Messstativ Gestänge Ø 12 x 173 mm - Gestänge verchromt - Säule mm: ø 12 x 173, Gewinde M8 - Querarm mm: ø 10 x 153 - mit Feineinstellung und Messuhr-Aufnahme 8 mm

8,64 €*
Lagerbestand: 7
Magnet-Messstativ Gestänge Gesamthöhe 293 mm mit Zentralklemmung
Magnet-Messstativ Gestänge Gesamthöhe 293 mm - mit Zentralklemmung, Gewinde M8, ohne Magnetfuß - für Messuhren mit 8 mm Aufnahme - passend zu Artikelnummer 208.109 - Gesamtlänge: 293 mm

25,08 €*
Lagerbestand: 130
Tipp
Magnet-Messstativ Gestänge 345 mm Gesamthöhe mit Zentralklemmung
Magnet-Messstativ Gestänge 345 mm Gesamthöhe - mit Zentralklemmung, Gewinde M8, ohne Magnetfuß - mit Feineinstellung, für Messuhren mit 8 mm Aufnahme - Gesamthöhe 345 mm

23,70 €*
Lagerbestand: 152
Magnet-Messstativ, Gestänge, Ø 28 x 230 mm, M8
Magnet-Messstativ, Gestänge - Säule mm: ø 28 x 230, M8 - Querarm mm: ø 18 x 190

91,20 €*
Lagerbestand: 28
Magnet-Messstativ Gestänge Gesamthöhe 328 mm mit Zentralklemmung
Magnet-Messstativ Gestänge Gesamthöhe 328 mm - mit Zentralklemmung, Gewinde M8, ohne Magnetfuß - für alle Messuhren mit 8 mm Aufnahme - mit Feineinstellung - Gestänge von Art.-Nr. 208.109.6 - Gesamthöhe: 328 mm

111,60 €*
Lagerbestand: 20
Magnet-Messstativ Gestänge Gesamthöhe 368 mm mit Zentralklemmung
Magnet-Messstativ Gestänge Gesamthöhe 368 mm - mit Zentralklemmung, Gewinde M8, ohne Magnetfuß - für Messuhr mit 8 mm Aufnahme - mit Feineinstellung - Gestänge von Art.-Nr. 208.109.7 - Gesamthöhe: 368 mm

122,40 €*
Lagerbestand: 27
Stellfuß-Satz mit Gewinde M10 Ø 50 mm für Granitplatten
Stellfuß-Satz mit Gewinde M10 für Granitplatten - Satz a 4 Stück- Ø 50 mm- Gewindelänge ca. 20 mm- Gesamthöhe ca. 30 mm- geeignet für Granitplatten Nr. 206.116 und 206.117

9,00 €*
Lagerbestand: 42
Produktgalerie überspringen

Ähnliche Artikel

Sale
Mess- und Kontrollplatte 300 x 200 x 50 mm, aus Granit, mit Gewinde M8, DIN 876/0
Mess- und Kontrollplatte 300 x 200 x 50 mm aus Granit - mit Aufnahme-Gewinde M8 für Messstative - aus dunklem Granit - Genauigkeit nach DIN 876/0 - Gewicht 9,4 kg Gewinde: 2 x M 8 Abmessung: 300 x 200 x 50 mm

75,06 €* 83,40 €* (10% gespart)
Lagerbestand: 61
Mess- und Kontrollplatten 400 x 300 x 50 mm aus Granit mit 6 x M8 Gewinden
Mess- und Kontrollplatten 400 x 300 x 50 mm - mit 6 x Aufnahme-Gewinden M8 für Messstative - aus dunklem Granit - Genauigkeit nach DIN 876/0 - unten mit 4 x M10 Gewinden zur Anbringung von Stellfüßen

144,00 €*
Lagerbestand: 18