Zum Hauptinhalt springen Zur Suche springen Zur Hauptnavigation springen
Telefonische Beratung: 02331 - 62 52 8-0 (Mo-Do: 7:45 - 16:00 Uhr und Fr: 7:45 - 14:30 Uhr)
Präzise Messmittel und Messgeräte

Tiefen-Messanschlag rund Ø 16 L=58 mm für Messuhren

Produktinformationen "Tiefen-Messanschlag rund Ø 16 L=58 mm für Messuhren"

Tiefen-Messanschlag rund Ø 16 L=58 mm

- aus rostfreiem Stahl
- für Messuhren mit 8 mm Aufnahme
- mit Durchlassbohrung für Messeinsätze < Ø 3 mm
- mit runder Anschlagfläche
- Messfläche fein geschliffen

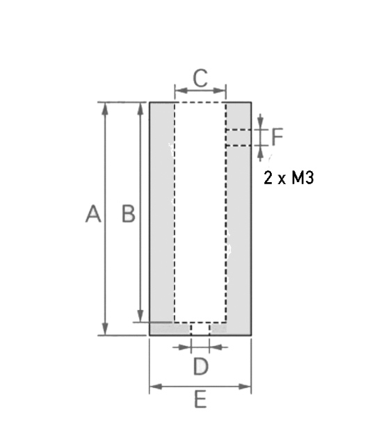
Technische Daten

für Messuhren mit Messbereich
for dial indicator with range
A
mm
B
mm
C
mm
D
mm
E
mm
G
mm
H
mm
25 mm 58 56 8 3 16 - -
               
Achtung : Benutzung nur unter Verwendung von Messeinsätzen mit Ø < 3 mm
Attention : Use only using measuring inserts with Ø < 3mm
 

Informationen zur Produktsicherheit:

  • Nur für technisch versierte und mit dem Produkt vertraute Anwender sowie Handwerker geeignet.
  • Nur für den vorhergesehenen Verwendungszweck geeignet.
  • Unsachgemäße Verwendung kann zu Schäden und Verletzungen führen.

Importeur/Hersteller:

Gedema GmbH
Berchumer Str. 74
58093 Hagen

E-Mail: info@messwelt.com
E-Mail: info@gedema.com

Ausgenommen sind Artikel bei denen explizit der Hersteller genannt wird.

Produktgalerie überspringen

Zubehör

Digital-Messuhr 12,7 x 0,01 mm Messbereich
Digital-Messuhr 12,7 x 0,01 mm - mit Digitalanzeige - Anfangswert einstellbar (Preset) - Messrichtung umkehrbar - mm/ inch-, ABS/PRESET-, ZERO/ON-Taste - Aufnahme 8 h6 - im Behältnis/Kasten Ablesung: 0,01 mm Genauigkeit: 20 µm Messbereich: 12,7 mm

59,34 €*
Lagerbestand: 133
Neu
Digital-Messuhr 12,7 x 0,01 mm mit Max-Min-Funktion
Digital-Messuhr mit Max-Min-Funktion, 12,7 x 0,01 mm - mit wiederaufladbarem Lithium-Akku, laden über USB-Kabel  (im Lieferumfang enthalten)- Messrichtung umkehrbar - Messkraft ≤ 2,2 N- mit Tasten EIN/AUS/0, MODUS/H, SET/DATA/ABS/PRE- speichert Maximal/Minimal/∂-Werte für Ebenheits- und Koaxialitätsmessung- Toleranzeinstellung für automatische Gut/Schlecht-Erkennung   mit roter/grüner Hintergrundbeleuchtung- Datenausgabe über Schnittstelle USB-C Ablesung: 0,01 mm Genauigkeit: 0,01 mm Messbereich: 12,7 mm

71,40 €*
Lagerbestand: 0